FØLG OS:

Produkter
40A Kombinationsdrejeknapkontakt 7,5kw
  • 40A Kombinationsdrejeknapkontakt 7,5kw40A Kombinationsdrejeknapkontakt 7,5kw
  • 40A Kombinationsdrejeknapkontakt 7,5kw40A Kombinationsdrejeknapkontakt 7,5kw

40A Kombinationsdrejeknapkontakt 7,5kw

Som en professionel producent med over 30 års erfaring i industrien for elektriske afbrydere, er YAMING forpligtet til at levere højkvalitets og pålidelige elektriske kontrolløsninger til kunder over hele verden. Denne 40A Combination Rotary Cam Switch 7,5kW, en del af HZ5-serien, er uafhængigt udviklet og fremstillet på vores fabrik i Kina, der integrerer stabil ydeevne, forskellige applikationer og tilpassede tjenester. Som en betroet leverandør udnytter YAMING sine stærke tekniske egenskaber, strenge kvalitetskontrolsystem og avancerede fremstillingsprocesser for at sikre, at denne roterende knastkontakt giver effektiv, sikker og tilpasset kontrol til forskellige kredsløb, der opfylder de forskellige behov i den industrielle og kommercielle sektor.

YAMING har været dybt forankret i den elektriske switch-industri i over 30 år og er blevet en førende og pålidelig løsningsleverandør. Som en professionel producent baseret i Kina har vi bygget en komplet industriel kæde fra R&D og produktion til salg. Vores fabrik er udstyret med avanceret produktionsudstyr og præcisionstestinstrumenter for at sikre, at hvert produkt opfylder strenge kvalitetsstandarder. Års akkumuleret teknisk erfaring og industriressourcer har lagt et solidt grundlag for den stabile ydeevne og pålidelige kvalitet af denne 40A-kombinerede roterende knastkontakt 7,5 kW. Som en betroet leverandør har vores professionelle evner og ansvarlige serviceattitude opnået udbredt anerkendelse fra kunder over hele verden.


Produktoversigt


YAMING 40A Combination Rotary Cam Switch 7,5kW tilhører HZ5-serien og er designet og fremstillet specifikt til forskellige elektriske kontrolscenarier. Med avancerede fremstillingsprocesser og strenge kvalitetskontrolprocedurer er det en højtydende elektrisk kontrolkomponent, der integrerer stabilitet, effektivitet og alsidighed.


Kerne tekniske parametre


1. Anvendelig frekvens: Kan tilpasses til AC 50Hz kredsløbssystemer, kompatibel med de fleste industrielle og kommercielle strømmiljøer.


2. Nominel spænding: Op til 380V AC, 240V DC, stærk spændingstilpasningsevne, der opfylder forskellige kredsløbskontrolbehov.


3. Nominel strøm: Op til 40A, matchende 7,5 kW effektspecifikationer, stabil belastningskapacitet, undgå overbelastningsskader.


Produktegenskaber


1. Bred anvendelse

Velegnet til manuel og intermitterende kredsløbskobling, kontrol og konvertering; kan direkte drive vekselstrømsmotorer med lille kapacitet; fungerer også som en hovedcontroller, kredsløbsmåling og motorhastighedsregulering, der dækker flere scenarier såsom industriel produktion, kommercielle faciliteter og mekanisk udstyr.


2. Stabil og effektiv ydeevne

Den 40A-kombinerede roterende knastkontakt 7,5 kW bruger materialer af høj kvalitet og et avanceret strukturelt design, der kan prale af fremragende ledningsevne og mekanisk holdbarhed. Den opretholder stabil drift selv under langvarig intermitterende brug, hvilket reducerer fejlfrekvensen og forbedrer effektiviteten af ​​elektriske kontrolsystemer.


3. Fleksibel tilpasning

Fuldt tilpassede tjenester med hensyn til polnummer og rækkevidde kan leveres i henhold til specifikke kundebehov, hvilket skaber mere målrettede kontrolløsninger.


Applikationsscenarier


Denne 40A kombinationsdrejeknapkontakt på 7,5 kW er meget udbredt inden for forskellige områder, der kræver manuelle kontrolkredsløb, såsom små og mellemstore industrielle produktionslinjer, mekanisk udstyrskontrol, kommercielle elektriske faciliteter og elektriske styreskabe. Dens stabile ydeevne og forskellige funktioner gør den til et ideelt valg for kunder, der søger højkvalitets, effektive og tilpassede elektriske styringsløsninger.



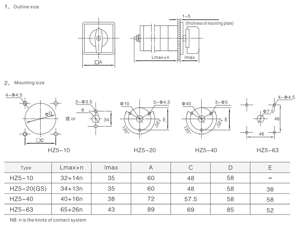
Tekniske parametre



Produktkonturstørrelse installationsstørrelse



Kvalitetssikring og serviceforpligtelse


Som en ansvarlig producent i Kina overholder YAMING princippet om "Quality First, Customer Supreme." Streng kvalitetskontrol er implementeret gennem hele produktionsprocessen af ​​denne switch, fra valg af råmateriale til test af færdige produkter. Hvert trin er strengt kontrolleret for at sikre, at produktet opfylder internationale kvalitetsstandarder, er pålideligt og har en lang levetid.


Som din betroede leverandør leverer vi ikke kun produkter af høj kvalitet, men også omfattende eftersalgsservice, herunder teknisk rådgivning, installationsvejledning og fejlfinding, hvilket eliminerer eventuelle bekymringer, du måtte have. Vores fabrik har et professionelt eftersalgsteam, der kan reagere hurtigt på kundernes behov og yde effektiv og opmærksom service.



Hot Tags: 40A Combination Rotary Cam Switch 7,5kw Kina, producent, leverandør, fabrik
Send forespørgsel
Kontaktoplysninger
Hvis du har nogen forespørgsel om tilbud eller samarbejde, er du velkommen til at sende en e-mail eller bruge følgende forespørgselsformular. Vores salgsrepræsentant vil kontakte dig inden for 24 timer.
X
Vi bruger cookies til at tilbyde dig en bedre browsingoplevelse, analysere trafik på webstedet og tilpasse indhold. Ved at bruge denne side accepterer du vores brug af cookies. Privatlivspolitik
Afvise Acceptere