FØLG OS:

Produkter
63A kombinationsdrejeknapkontakt
  • 63A kombinationsdrejeknapkontakt63A kombinationsdrejeknapkontakt
  • 63A kombinationsdrejeknapkontakt63A kombinationsdrejeknapkontakt

63A kombinationsdrejeknapkontakt

Med over 30 års brancheerfaring udnytter YAMING (Zhejiang Yaming Electric) sine stærke tekniske evner og strenge kvalitetskontrol til at skabe HZ5-serien 63A Combination Rotary Cam Switch. Dette produkt er kompatibelt med 50Hz AC-systemer, med en nominel spænding på 380V AC/240V DC og en strøm på 63A. Den kan prale af stabil og effektiv ydeevne, fulde tilpasningsmuligheder og kan udføre kredsløbsskift og motordrevfunktioner. Som en professionel producent med oprindelse i Kina er YAMING en betroet leverandør af elektriske afbrydere til kunder over hele verden.

YAMING har været dybt involveret i elektriske afbrydere i over 30 år og er blevet en betroet leder i branchen gennem solid erfaring og streng kvalitetskontrol. Som en producent med rod i Kina kontrollerer vi strengt produktkvaliteten gennem hele processen for at sikre sikkerheden og pålideligheden af ​​vores 63A Combination Rotary Cam Switch. Vores fabrik er udstyret med banebrydende udstyr og et professionelt team, der muliggør storstilet, raffineret produktion og hurtig reaktion på markedets krav. Med vores professionelle styrke er vi blevet en betroet leverandør for kunder over hele verden.


Produktets kerneparametre


YAMING 63A Combination Rotary Cam Switch (HZ5-serien) kerneparametre har gennemgået strenge tests og er velegnede til forskellige scenarier, som beskrevet nedenfor:


- Anvendelige systemer: Designet specifikt til 50Hz AC-systemer, kompatible med DC-scenarier, der tilbyder bred tilpasningsevne;


- Nominelle parametre: Nominel spænding op til 380V AC/240V DC, strøm 63A, stærk bæreevne;


- Kerneegenskaber: Avanceret knaststruktur, jævn drift, der sikrer stabil kredsløbsskift og eliminerer signalafbrydelse.


Kernefunktioner


- Kredsløbskontrol: Muliggør manuel intermitterende kredsløbskobling, kontrol og konvertering med bekvem betjening;


- Motordrev: Kan direkte drive små AC-motorer, hvilket forenkler layoutet og reducerer omkostningerne;


- Omfattende tilpasningsevne: Kombinerer hovedkontrol- og målefunktioner, understøtter motorhastighedsregulering;


- Tilpasningsservice: Antallet af stænger og gear kan tilpasses til individuelle behov.


Gældende scenarier


Denne 63A Combination Rotary Cam Switch er meget udbredt inden for industriel automation, elektrisk udstyr og andre områder. Den er kompatibel med værktøjsmaskiner, vandpumper og andet udstyr, der passer til både komplekse kommercielle og industrielle driftsforhold, og er en højtydende, omkostningseffektiv omskiftningsløsning.


Produktfordele


1. Teknologiske fordele: Ved at integrere over 30 års teknologisk akkumulering sikrer højkvalitetskomponenter kombineret med avancerede processer stabilitet, holdbarhed og lang levetid.


2. Kvalitetsfordele: Streng kvalitetskontrol gennem hele processen eliminerer substandard produkter, hvilket sikrer pålidelig kvalitet.


3. Customization Fordele: Understøtter fuld tilpasning, præcis matchende kundescenarier og parameterkrav.


4. Servicefordele: Ved at udnytte en komplet forsyningskæde og professionelt team i Kina giver det rettidig teknisk support og eftersalgsgaranti.


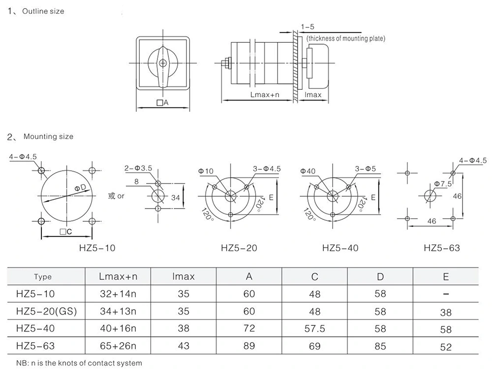
Produktkonturstørrelse installationsstørrelse



Brand Engagement


Som en lokal kinesisk producent er YAMING forpligtet til "professionalitet, pålidelighed og innovation." Med over 30 års erfaring, avancerede fabrikskapaciteter og stringent kvalitetskontrol leverer YAMING produkter og løsninger af høj kvalitet til globale kunder, der stræber efter at blive en langsigtet betroet partner.



Hot Tags: 63A Combination Rotary Cam Switch Kina, producent, leverandør, fabrik
Send forespørgsel
Kontaktoplysninger
Hvis du har nogen forespørgsel om tilbud eller samarbejde, er du velkommen til at sende en e-mail eller bruge følgende forespørgselsformular. Vores salgsrepræsentant vil kontakte dig inden for 24 timer.
X
Vi bruger cookies til at tilbyde dig en bedre browsingoplevelse, analysere trafik på webstedet og tilpasse indhold. Ved at bruge denne side accepterer du vores brug af cookies. Privatlivspolitik
Afvise Acceptere